项目一:生物质能应用技术专业知识考试样题
本样卷共五大题,总分150分,考试用时60分钟。
一、单项选择题(将正确答案的字母填在括号内。每题2分,满分50分)
1.电流的单位是( )。
A.安培 B.伏特 C.瓦特 D.欧姆
2.磁场是( )。
A.无方向 B.有方向 C.是间断的 D.方向是变化的
3.我国采用交流电压频率为( )。
A.50 Hz B.60Hz C.100 Hz D.150 Hz
4.三根火线中,A相线的颜色是( )。
A.绿色 B.黄色 C.红色 D.黑色
5.通电线圈内插入铁芯后,它的磁场将( )。
A.增强 B.减弱 C.不变 D.增强或减弱
6.判断电流产生的磁场的方向用( )。
A.左手定则 B.右手定则 C.电动机定则 D.安培定则
7.正弦交流电压的有效值为100V,则最大值等于的( )。
A.50V B.100V C.200V D.141V
8.有一个线性电阻,测得它的端电压是6V,通过它的电流是2A,如果将它的电压变为24V,则通过它的电流是( )。
A.8A B.2A C.6A D.10A
9.两个电阻R1=20,欧R2=30欧,串联后等效电阻大小为( )。
A.20欧 B.30欧 C.40欧 D.50欧
10.某灯泡上标有“220V、100W”字样,则220V是指( )。
A.最大值 B.瞬时值 C.有效值 D.平均值
11.已知
,B点电位
,则
=( )。
A.-10V B. 8V C.10V D. 12V
12.6欧与3欧的两个电阻并联,它的等效电阻值应为( )。
A.3欧 B.2欧 C.5欧 D.9欧
13.部分电路欧姆定律的数学表达式是( )。
A.I=UR B.I=R/U C.I=U/R D.R=UI
14.电路中,任何时刻流入某一点的电流之和应( )流出该节点的电流之和。
A.大于 B.小于 C. 等于 D.不确定
15.在串联谐振电路中,电路总电流达到( )。
A.最大 B.最小 C.等于0 D.不确定
16.交流电流表在交流电路中的读数为( )。
A. 瞬时值 B. 平均值 C. 最大值 D.有效值
17.两个电阻串联,R1:R2=1:2,总电压为60V,则U1的大小为( )。
A. 10V B.20V C.30V D.40V
18.电容是( )元件。
A.耗能 B.存储磁场能 C.存储电场能 D.存储电阻能
19.两个电阻R1=R2=20欧,并联后等效电阻大小为( )。
A.10欧 B.20欧 C.30欧 D.40欧
20.理想变压器的一次侧与二次侧电气量相等的是( )。
A.电压 B.电流 C.有功功率 D.不确定
21.数字电路中,二进制1001转化为十进制是( )。
A.7 B.8 C. 9 D.10
22.数字电路中,十进制8转化为二进制是( )。
A.1000 B.1100 C.1001 D.1101
23.以下不属于生物质能发电有( )。
A.秸秆发电 B.垃圾发电 C.沼气发电 D.地热发电
24.电力变压器变比为1:1000,已知一次侧电压为220kV,二次侧电压为( )。
A.110 V B.220V C.380V D.1000V
25.以下不属于新能源发电技术的是( )。
A.风力发电 B.太阳能光伏发电 C.燃煤发电 D垃圾发电
二、判断题(正确的填“√”,错误的填“×”。每题2分,满分40分)
1.电流表应串联在被测电路中。( )
2.直流电动机的运行是可逆的。( )
3.导体的电阻与导体截面成正比。( )
4.三相交流鼠笼型异步电动机常用的改变转速的方法是改变电压。( )
5.晶体管二极管具有单向导电性。( )
6.磁铁内部的磁力线方向都是从N极指向S极。 ( )
7.直流电动机的定子由机座、主磁极、换向极、电刷装置、端盖等组成。( )
8.晶体管作为开关使用时,处于截止状态。( )
9.平行导线中通过同向电流时,导线互相排斥。( )
10.选用电气设备时,应按正常工作条件选择额定电压和额定电流。( )
11.运行中的电压互感器的二次线圈不应短路。( )
12.对于直流电路,电容元件相当于开路。( )
13.变压器不对称运行,对变压器本身危害极大。( )
14.为了保证用电安全,电器设备金属外壳应可靠接地。( )
15.串联电阻可以用来分流。( )
16.生物质能发电包括秸秆发电、垃圾发电、沼气发电等。( )
17.电力变压器的电压与变比成反比。( )
18.太阳能光伏发电的优点时清洁、安全、无噪声( )
19.城市垃圾发电属于生物质能发电。( )
20.为了保证人身安全,要求电动机外壳必须接地。( )
三、简答题(满分25分)
1.变压器的基本原理和作用是什么?(10分)
2.直流电、交流电的主要区别是什么?(10分)
3.简述新能源发电类型有哪些?(5分)
四、计算题(满分20分)
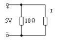
电路如图所示,求:
(1)求电路的总电阻。
(2)求电路中未知的电流I的大小。

五、作图题(满分15分)
完成下面异步电动机星形—三角形换接起动的接线图;并说明起动时开关K应打在下面还是上面。

项目二:生物质能应用技术技能操作考试样题
项目一:室内照明线路与电器安装
在指定工作台上完成如下电路的安装,检测后经监考老师检查同意后通电操作。
要求:
1、正确使用钳类、镙丝刀等五金工具,能正确应用万用表测量电压与电阻。(50分)
2、对电路中所用各种电器元件应合理布局,元件朝向正确,走线美观、合理。(30分)
3、能熟练、准确的连接电路,并具备用万用表在未通电状态下检测电路状态和排查故障的能力,熟练程度以完成时间衡量。(120分)

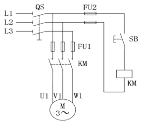
项目二:点动控制电动机运行
在指定工作台上完成如下电路的安装接线,检测后经监考老师检查同意后通电操作,按下按钮SB,合接触器KM,使电动机运转。
(说明:电路图中符号QS:闸刀开关,FU1保险、FU2保险,SB:按钮,KM:接触器,M:电动机)
要求:
1、对电路中所用各种电器元件应合理布局,元件朝向正确,走线美观、合理。(20分)
2、能熟练、准确的连接电路,并具备用万用表在未通电状态下检测电路状态和排查故障的能力,熟练程度以完成时间衡量。(120分)
